PCD系列刀具, CCGW
设备参数及选型:
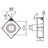
| 公制代码ISO | 英制代码ANSI | 刃数 | 切刃长度 | 孔径 | 刀片厚度 | Rake | 刀尖R角 | 主切刃长 |
| ic | Ød | s | α | r | la | |||
| CCGW2(1.5)(0.5) | 1N | 6.35 | 2.8 | 2.38 | 0° | 0.2 | 2.5 | |
| CCGT2(1.5)(0.5) | 1N | 6.35 | 2.8 | 2.38 | 5° | 0.2 | 2.5 | |
| CCGT2(1.5)(0.5) | 1N | 6.35 | 2.8 | 2.38 | 10° | 0.2 | 2.5 | |
| CCGW2(1.5)1 | 1N | 6.35 | 2.8 | 2.38 | 0° | 0.4 | 2.5 | |
| CCGT2(1.5)1 | 1N | 6.35 | 2.8 | 2.38 | 5° | 0.4 | 2.5 | |
| CCGT2(1.5)1 | 1N | 6.35 | 2.8 | 2.38 | 10° | 0.4 | 2.5 | |
| CCGW2(1.5)(0.5) | 2N | 6.35 | 2.8 | 2.38 | 0° | 0.2 | 2.5 | |
| CCGT2(1.5)(0.5) | 2N | 6.35 | 2.8 | 2.38 | 5° | 0.2 | 2.5 | |
| CCGT2(1.5)(0.5) | 2N | 6.35 | 2.8 | 2.38 | 10° | 0.2 | 2.5 | |
| CCGW2(1.5)1 | 2N | 6.35 | 2.8 | 2.38 | 0° | 0.4 | 2.5 | |
| CCGT2(1.5)1 | 2N | 6.35 | 2.8 | 2.38 | 5° | 0.4 | 2.5 | |
| CCGT2(1.5)1 | 2N | 6.35 | 2.8 | 2.38 | 10° | 0.4 | 2.5 | |
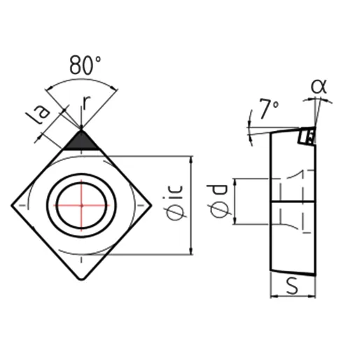
| CCGW3(2.5)(0.5) | 1N | 9.525 | 4.4 | 3.97 | 0° | 0.2 | 2.5 | |
| CCGT3(2.5)(0.5) | 1N | 9.525 | 4.4 | 3.97 | 5° | 0.2 | 2.5 | |
| CCGT3(2.5)(0.5) | 1N | 9.525 | 4.4 | 3.97 | 10° | 0.2 | 2.5 | |
| CCGW3(2.5)1 | 1N | 9.525 | 4.4 | 3.97 | 0° | 0.4 | 2.5 | |
| CCGT3(2.5)1 | 1N | 9.525 | 4.4 | 3.97 | 5° | 0.4 | 2.5 | |
| CCGT3(2.5)1 | 1N | 9.525 | 4.4 | 3.97 | 10° | 0.4 | 2.5 | |
| CCGW3(2.5)2 | 1N | 9.525 | 4.4 | 3.97 | 0° | 0.8 | 2.5 | |
| CCGT3(2.5)2 | 1N | 9.525 | 4.4 | 3.97 | 5° | 0.8 | 2.5 | |
| CCGT3(2.5)2 | 1N | 9.525 | 4.4 | 3.97 | 10° | 0.8 | 2.5 | |
| CCGW3(2.5)(0.5) | 2N | 9.525 | 4.4 | 3.97 | 0° | 0.2 | 2.5 | |
| CCGT3(2.5)(0.5) | 2N | 9.525 | 4.4 | 3.97 | 5° | 0.2 | 2.5 | |
| CCGT3(2.5)(0.5) | 2N | 9.525 | 4.4 | 3.97 | 10° | 0.2 | 2.5 | |
| CCGW3(2.5)1 | 2N | 9.525 | 4.4 | 3.97 | 0° | 0.4 | 2.5 | |
| CCGT3(2.5)1 | 2N | 9.525 | 4.4 | 3.97 | 5° | 0.4 | 2.5 | |
| CCGT3(2.5)1 | 2N | 9.525 | 4.4 | 3.97 | 10° | 0.4 | 2.5 | |
| CCGW3(2.5)2 | 2N | 9.525 | 4.4 | 3.97 | 0° | 0.8 | 2.5 | |
| CCGT3(2.5)2 | 2N | 9.525 | 4.4 | 3.97 | 5° | 0.8 | 2.5 | |
| CCGT3(2.5)2 | 2N | 9.525 | 4.4 | 3.97 | 10° | 0.8 | 2.5 | |
| CCGW43(0.5) | 1N | 12.7 | 5.5 | 4.76 | 0° | 0.2 | 2.5 | |
| CCGT43(0.5) | 1N | 12.7 | 5.5 | 4.76 | 5° | 0.2 | 2.5 | |
| CCGT43(0.5) | 1N | 12.7 | 5.5 | 4.76 | 10° | 0.2 | 2.5 | |
| CCGW431 | 1N | 12.7 | 5.5 | 4.76 | 0° | 0.4 | 2.5 | |
| CCGT431 | 1N | 12.7 | 5.5 | 4.76 | 5° | 0.4 | 2.5 | |
| CCGT431 | 1N | 12.7 | 5.5 | 4.76 | 10° | 0.4 | 2.5 | |
| CCGW432 | 1N | 12.7 | 5.5 | 4.76 | 0° | 0.8 | 2.5 | |
| CCGT432 | 1N | 12.7 | 5.5 | 4.76 | 5° | 0.8 | 2.5 | |
| CCGT432 | 1N | 12.7 | 5.5 | 4.76 | 10° | 0.8 | 2.5 | |
| CCGW43(0.5) | 2N | 12.7 | 5.5 | 4.76 | 0° | 0.2 | 2.5 | |
| CCGT43(0.5) | 2N | 12.7 | 5.5 | 4.76 | 5° | 0.2 | 2.5 | |
| CCGT43(0.5) | 2N | 12.7 | 5.5 | 4.76 | 10° | 0.2 | 2.5 | |
| CCGW431 | 2N | 12.7 | 5.5 | 4.76 | 0° | 0.4 | 2.5 | |
| CCGT431 | 2N | 12.7 | 5.5 | 4.76 | 5° | 0.4 | 2.5 | |
| CCGT431 | 2N | 12.7 | 5.5 | 4.76 | 10° | 0.4 | 2.5 | |
| CCGW432 | 2N | 12.7 | 5.5 | 4.76 | 0° | 0.8 | 2.5 | |
| CCGT432 | 2N | 12.7 | 5.5 | 4.76 | 5° | 0.8 | 2.5 | |
| CCGT432 | 2N | 12.7 | 5.5 | 4.76 | 10° | 0.8 | 2.5 |
PCD 等级与切削参数
| 切削推荐 | 有色金属 | ||
| PCD 等级 | PD10 | PD20 | PD30 |
| 工件材质 | 铝合金 | 低硅铝合金 | 高硅铝合金 |
| 切削速度(Vc) | 750(500-1000) m/min | 500 (300-800) m/min | 350 (200-500) m/min |
| 每转进给量(Fn) | 0.15(0.03-0.3) mm/r | 0.15 (0.03-0.3) mm/r | 0.15(0.03-0.3) mm/r |
PCD 材质对比表
| 等级 | Winice | Tungaloy | Mitsubishi | Sumitomo | Sandvik | Kyocera | Hitachi | Dijet | NTK | Seco | Kennametal | Iscar | Taegutec | Widia | Walter | Ceratizit | Centech -EG |
ZCC.CT | |
| N | N10 | PD10 | DX140 | MD205 MD220 |
DA150 | CD10 | KPD001 KPD010 KPD230 |
JDA715 | PD1 | PCD05 PCD10 PCD20 |
KD100 KD1400 KD1425 |
ID5 | KP500 | WDN25U | WCD10 | CTD4125 CTD4110 |
MD02 | DN1011 DN0511 |
|
| N20 | PD20 | DX120 | MD220 MD230 |
DA2200 DA1000 |
CD10 | KPD001 KPD010 KPD230 |
JDA715 | PD1 | PCD05 PCD20 |
KD1425 | ID8 | KP300 | WDN25U | WCD10 | CTD4205 | MD04 MD03 |
DN1031 | ||
| N30 | PD30 | DX110 | MD230 | DA2200 DA1000 |
JDA10 | PCD20 PCD30 PCD30M |
ID8 | KP100 | MD01 | DN3021 | |||||||||